Mauer

Magneetslot Bad/Wc 1545 Rvs

Artikelnr. 2373204715
Type: 1545W
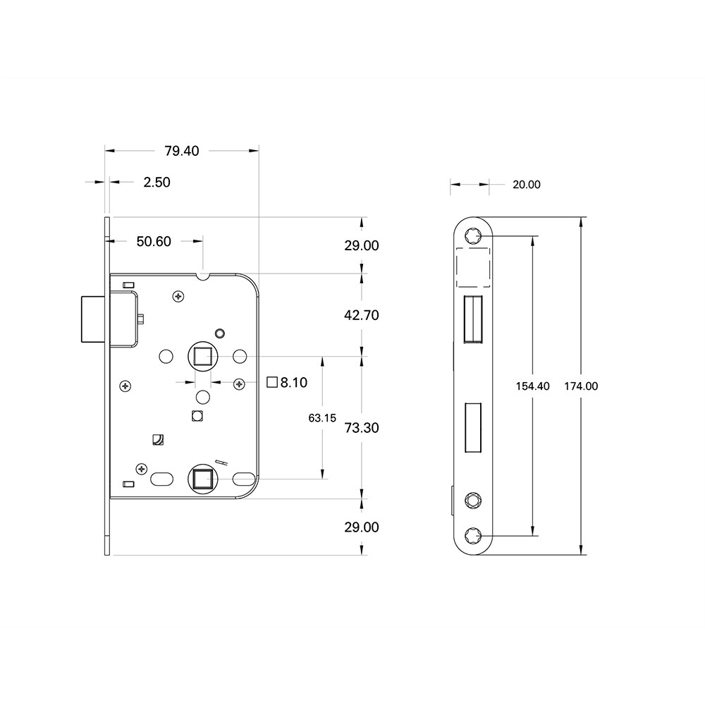
Het hoogwaardig afgewerkte slot met magneetschoot 1545 BAD/WC is geschikt voor binnendeuren. Het slot heeft een zeer soepele werking. De voorplaat is vervaardigd van een hoge RVS-kwaliteit 304.De deur sluit naadloos door de magnetische werking. Bij het dichttrekken van de deur, schiet de dagschoot in de gecombineerde sluitplaat/kom. Kleding kan hiermee niet achter de dagschoot blijven haken. Bij de BAD/WC-uitvoering zorgt de nachtschoot voor de vergrendeling van het slot.
x 1
In vrachtwagen
Toegevoegd aan winkelwagen
  • EIGENSCHAPPEN FABRIKANT
  • EIGENSCHAPPEN
  • Beschrijving
  • DOCUMENTEN
  • CERTIFICATEN
  • VIDEOS
  • HANDLEIDINGEN
  • TEKENINGEN
  • DEEPLINK
  • EXTRA INFORMATIE